Strukturierte Kommunikationsverkabelung in Büro-, Industrie- und RZ-Gebäuden darf als Standard-Technologie bei jedem Neubau vorausgesetzt werden, entsprechende Normen sind seit Längerem verfügbar und mehr oder weniger bekannt. In den letzten Jahren wird zunehmend wahrgenommen, dass die in einem Gebäude befindlichen Technologien zum Betrieb des Gebäudes – üblicherweise geführt unter dem Begriff „Technische Gebäudeausrüstung“ (TGA) – auch IT-Kommunikation benötigen und man versucht, in den Gebäuden eine anwendungsneutrale Kommunikationsverkabelung vorzurüsten, um ohne Nachverkabelung Netzwerke für die TGA einzurichten.
Ein sehr junges Einsatzfeld ist die Nutzung von Netzwerk-Technologie in Wohneinheiten. Erste Erfahrungen der ComConsult zeigen, dass die Vorteile dieser Technik immer häufiger erkannt werden und gerade bei der Planung von großen Wohnquartieren die Netzwerk-Infrastruktur von Anfang an berücksichtigt wird. Doch wie sehen diese Netzwerk-Technik und insbesondere die dazu notwendige IT-Verkabelung aus? Sind hier Normen vorhanden und was sind die Empfehlungen? Der nachfolgende Blog betrachtet die wichtigsten Punkte.
Normative Zuordnung der IT-Verkabelung
Bei den in der Einleitung genannten 3 Gebäudetypen kommen im Falle von modernen Neubauten in der Regel zwei Verkabelungstypen vor, die auch normativ unterschieden werden. Das eine ist die Verkabelung zur Sicherstellung einer Übertragungstechnik für die TGA, geregelt durch die EN 50173-6, sie ist die jüngste Norm. Da jedes Gebäude über technische Gebäudeanlagen verfügt, müsste sie im Prinzip bei jedem Neubau zur Anwendung kommen. Nach Eindruck des Autors ist sie jedoch die zurzeit am wenigsten beachtete Norm. Je nach Gebäudetyp kommt dann eine zweite hinzu: Bei einem Bürogebäude ist es die Verkabelung nach EN 50173-2, bei einem Industrie-Gebäude die EN 50173-3 und bei einem Rechenzentrumsgebäude die EN 50173-5. Für alle Typen wird die Basisnorm EN 50173-1 angewendet.

Abbildung 1: Schematischer Zusammenhang zwischen den Normenreihen der EN 50173
Es ist für Leser, die den Inhalt dieser Normen etwas besser kennen, leicht nachvollziehbar, dass keine der genannten gebäudespezifischen Normen auf Bauwerke mit überwiegender Bereitstellung von Wohneinheiten anwendbar ist. Dabei betrachten wir keine kleineren Mehrfamilienhäuser, sondern größere Wohnquartiere. Auch hier wird man natürlich eine technische Gebäudeanlage einrichten, die z.B. Aufzugssteuerung, Beleuchtung, Notruf-Systeme, Zugangssteuerung u.Ä. umfasst und für die ein lokales Netzwerk und damit eine entsprechende anwendungsneutrale Kommunikationsverkabelung benötigt wird. Für dieses Netzwerk bzw. die dazu erforderliche Verkabelung gelten folgende wichtige Punkte:
- Die dabei zu berücksichtigenden Normen sind EN 50173-1 (gilt immer) und EN 50173-6.
- Dieses TGA-Netzwerk wird von übergeordneten „Instanzen“ wie z.B. dem Vermieter oder dem Besitzer des Gebäudes betrieben, und auf das Netzwerk dürfen keine Mieter Zugriff haben.
- Es gibt Kommunikationsanschlüsse in Bereichen bzw. Flächen, die nicht frei oder für Mieter zugänglich sind (z.B. in zentralen Heizungsanlagen) und es gibt sie in Mietflächen. Ein Beispiel dafür wäre die Elektrounterverteilung, auf die ein Mieter zumindest physikalischen Zugriff hat, um Sicherungen wieder einzuschalten.
- Die Verteilerpunkte, in denen aktive und passive Netzwerk-Komponenten untergebracht werden, befinden sich in der Regel in der Technologie-Ebene und damit in den meisten Gebäuden im Untergeschoss. Da diese Verteiler einen sehr großen Einfluss auf die Verfügbarkeit der technischen Anlagen des Gebäudes nehmen, müssen dieselben Anforderungen an die Räume gestellt werden wie bei modernen Bürogebäuden. Zu nennen sind z.B. eigenständige IT-Verteilerräume bzw. klare Regelung der physikalischen Zugriffsrechte oder auch eine unterbrechungsfreie Stromversorgung. Diese Verteiler heißen in der Sprache der Normen „Diensteverteiler“ DV (nicht Etagenverteiler).
Die Planung der „TGA-IT-Verkabelung“ in Wohnquartieren unterscheidet sich im Prinzip nicht von der Planung dieses Verkabelungstyps in Bürogebäuden. Ein Unterschied besteht allerdings darin, dass es in den meisten Fällen keine zusätzlichen Räumlichkeiten für TGA-IT-Verteiler geben wird, in die 19“-Technik mit dem üblichen Platzangebot untergebracht werden kann, z.B. bedarf ein eigenständiger IT-Verteilerraum mit einem 19“-Schrank einer Grundfläche von 6 qm. Stattdessen wird also alles vom Untergeschoss aus verkabelt werden, was bei den üblichen 90 m maximaler Leitungslänge für Twisted Pair in großen Wohnquartieren zum Problem werden kann. An dieser Stelle ist die Empfehlung auszusprechen, frühzeitig die Längenberechnungen durchzuführen, um ggf. im Rahmen der Architekturplanung weitere Räumlichkeiten für die IT zu bekommen. Denn steht die Grundrissplanung aller Etagen am Ende der Vorplanung erstmal fest, wird genau das sehr schwierig werden. Es kann im Extremfall zu der Notwendigkeit kommen, die mieterunabhängige IT-Verkabelung mithilfe von Glasfasern durchführen zu müssen, was mit Nachteilen wie z.B. keine Nutzbarkeit von PoE und keine Verfügbarkeit von IT-Geräten mit Glasfaseranschlüssen verbunden ist.

Abbildung 2: Beispieltopologie der EN 50173-4
Wohlgemerkt, es gibt keine Vorschriften oder Empfehlungen, die wie oben beschrieben eine verteilertechnische Zentralisierung von Datenanschlüssen vorgeben. Im Prinzip wäre es auch denkbar, für jede einzelne Wohnung einen IT-Verteiler mit aktiven und passiven Komponenten vorzusehen, von dem aus die technischen Anlagen der Wohnung versorgt werden. Dies hätte eindeutig längentechnische Vorteile. Es müssen dann jedoch Prozesse definiert werden, wie die Techniker der technischen Anlagen Zugriff darauf bekommen können und die Mieter umgekehrt eben nicht, und es muss einen entsprechenden Platz dafür in der Wohnung geben.
Normbetrachtung der IT-Verkabelung in Wohnungen
Werden moderne Wohnquartiere geplant bzw. gebaut, so wird die Attraktivität der Wohnungen im Zeitalter der Digitalisierung dadurch gesteigert, dass man den Mietern – vor allem jungen Mietern – am besten viele „Apps“ anbietet und diese eine hohe Performance (Datenrate) in möglichst jedem Bereich des Gebäudes, ganz besonders natürlich im angemieteten Wohnbereich, garantiert. Ein Großteil der Apps lässt sich zentral durch den Vermieter anbieten, und die Bereitstellung erfolgt dann durch die oben beschriebene zentrale Netzwerk-Infrastruktur (= aktive und passive Komponenten).
Seit Beginn der Einführung von Internet-Diensten in den 90er Jahren wurde Wohnungsbesitzern oder auch Mietern die Option geboten, in „ihren“ vier Wänden eigene Netzwerke mit eigenen Netzwerk-Komponenten aufzubauen. Solange das Netzwerk – wie bei den meisten Mietern – nur aus einem WLAN besteht, ist dies alles sehr einfach. Der einzig relevante Kabelanschluss ist der des Internet-Providers in der Wohnung.
Doch wie ist das, wenn eine kabelgebundene Netzwerk-Technik in den Mieträumen, womöglich in allen Räumen, bereitgestellt werden soll und diese bei Bedarf durch den Mieter selber in Betrieb genommen werden kann? Die erste Frage wäre die, ob das überhaupt von Interesse sein könnte. Aktuell sieht es für die Mehrzahl der Mieter nicht so aus. Das WLAN ist leistungsfähig genug, um auch hohe Datenraten, z.B. erforderlich für hochauflösende Video-Streams, sicherstellen zu können. Doch wer kennt das nicht, dass beispielsweise durch störende Nachbar-WLANs im Schlafzimmer zu wenig an Datenrate „ankommt“ und man sich deshalb mit WLAN-Repeater, Datenübertragung per Stromleitung o.Ä. weiterhelfen muss? Da könnte es durchaus attraktiv sein, eine Datenleitung liegen zu haben, die man mit eigenen Netzwerk-Switches beschalten kann. Bei vielen Neuplanungen von Wohnquartieren möchte man den Mietern zumindest die Option bieten, so etwas nutzen zu können, bevor sie in Eigenregie Löcher bohren und Kabel ziehen.

Abbildung 3: 2-stufige Struktur der Kommunikationskabelanlage nach EN 50173-4
Eine „Wohnungsverkabelung“ ist wie bereits beschrieben grundsätzlich Gegenstand der EN 50173-4, doch findet man hier Hinweise oder Empfehlungen zum Aufbau einer mieternutzbaren Wohnungsverkabelung? Betrachten wir kurz die Inhalte und das Modell dieser Norm.
Sie unterscheidet zwischen Anwendungen, die eine Informations- und Kommunikationstechnikverkabelung (IuK) nach EN 50173-1 erfordern oder eine Rundfunk- und Kommunikationstechnikverkabelung (RuK) nach EN 60728-1 (Verteileinrichtungen mit koaxialem Kabelausgang).
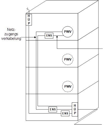
Die Anbindung einer Wohnung an den Internet-Provider erfolgt über eine sogenannte Netzzugangsverkabelung, die nur vom Vermieter bereitgestellt werden kann. Er hat ausschließlichen Zugang zu den zentralen Kabelwegen im Gebäude, und nur er kann die zentralen Übergabepunkte der Provider räumlich einrichten (Begriff der Norm: „Externe Netzschnittstelle“, kurz: ENS).
Es gibt keine Vorgaben zur Wahl des Mediums für diese Netzzugangsverkabelung, doch es darf davon ausgegangen werden, dass in modernen Wohnungen ein Glasfaseranschluss ggf. in Kombination mit einer I(St)Y-Leitung sinnvoll ist, um auch herkömmliche DSL-Anschlüsse zu ermöglichen. Beide Medien haben keine Längenrestriktionen, die Probleme bereiten würden.
Diese Netzzugangsverkabelung endet im sogenannten Primären Wohnungsverteiler PWV. Hier befinden sich nur Komponenten, auf die der Vermieter oder Wohnungseigentümer Zugriff haben darf. Er wird in Quartiersgebäuden nicht in einer Wohnung platziert, sondern in Technikflächen (Untergeschoss oder auch auf der Etage). Die Norm EN 50173-4 gibt z.B. bei Bruttoflächen von bis zu 50.000 qm eine Raumgröße von 3 x 4 m und eine Rauminnenbreite von min. 2,5 m vor. Das macht deutlich, dass es sich um klassische Technikflächen und nicht um Verteiler in einer Wohnung handelt. Grundsätzlich ist also davon auszugehen, dass jeder Quartiersneubau mit Anspruch auf Erfüllung von „IT-Normen“ in Zusammenhang mit IT-Verkabelung eine solche Fläche haben wird.

Abbildung 4: Zählerschrank
Die nächste Hierarchie-Ebene unter dem PWV ist der Sekundäre Wohnungsverteiler (SWV). Er wird sternförmig an den PWV angebunden, ist optional und nur in großen Wohnungsanlagen sinnvoll. Auch hier dürfen keine Betriebsmittel vom Mieter untergebracht werden, empfohlen wird eine kleinere Fläche von min. 6 qm. Werden mehr als 2.000 qm Fläche versorgt, dann lautet der Rat, mehr als einen SWV einzurichten.
Es ist erkennbar: Normativ wird in beiden Fällen der Mieter keinen Zugriff auf die Räumlichkeiten haben. Folge: Die Norm geht davon aus, dass weder der PWV noch der SWV zur Unterbringung von mietereigenen Netzwerk-Komponenten geeignet ist. Damit ist es nicht sinnvoll, die eingangs als vorteilhaft erachtete Wohnungsverkabelung in einem PWV oder SWV abzuschließen. Eine weitere – dritte – Verteilerebene ist allerdings normativ nicht erfasst.
Trotz der fehlenden normativen Berücksichtigung gibt es technische Lösungen für diese dritte Ebene. An einem einfachen Beispielfoto soll dies veranschaulicht werden (Quelle: GED Gesellschaft für Energiedienstleistung GmbH & Co KG):
Erkennbar sind alle Elemente, die zum Aufbau eines Wohnungsnetzwerks benötigt werden würden. Eine Besonderheit der Verkabelung liegt darin, dass natürlich bei diesem geringen Platzangebot keine 19“-Technik nutzbar ist und stattdessen z.B. die Datenanschlüsse mithilfe von Hutschienen-Technologie bereitgestellt werden müssen. In jedem Fall ist bei der Planung von Schrankflächen in einer Wohnung neben der klassischen Elektrounterverteilung auch frühzeitig eine IT-Verteilung vorzusehen.





